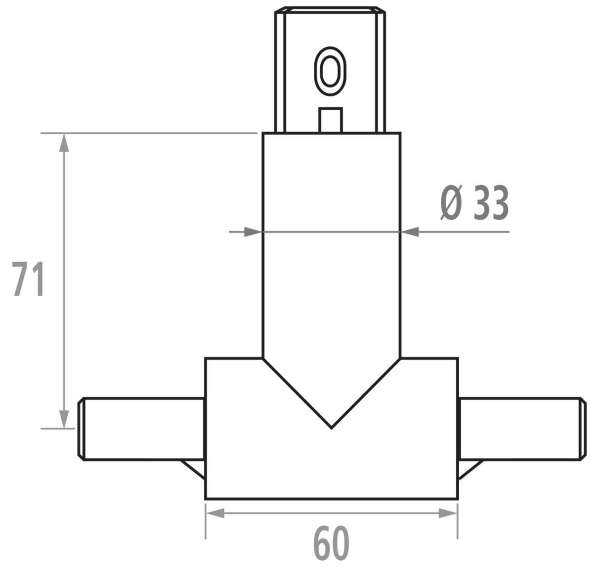
Pièce Agricole Attelage Tracteur Support Liaison 3ème Point Dernière Chance Support 3ème Point Agricole Support de liaison transversal - Fixation sur tube Le support de liaison 3ème point est conçu pour offrir une connexion stable et fiable. Avec un poids de 0,264 kg, il est léger et facile à installer... Support liaison 3ème Point Poids kg : 0,264 Support liaison 3ème Point Attache à souder pour 3ème point - Accessoires matériel